남극 물고기를 살아있는 채로 연구하려면 남극에 머물며 연구할 수 있는 3개월은 너무 짧다. 해결책은 간단하다. 국내에 아쿠아리움을 마련하는 것이다. 남극에서 잡은 남극 어류를 직접 한국에 가져가 키우며 연구하는 꿈을 실현하는 것이 핵심이다(그림 1).
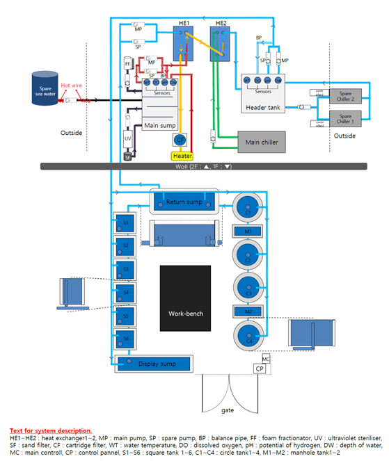
이 기술의 핵심은, 차갑게 만들기 위해 많은 에너지를 사용한 비싼 물을 사용하므로, 한 번 사용해 더러워진 물을 다시 거르고 처리하여 깨끗하게 만든 후 재사용하는 순환 여과 방식이었다. 어류를 수용하는 탱크, 즉 사육조 외에 냉각기, 열 교환기, 각종 여과장치와 필터 시스템, 스키머(거품발생기), 산소공급 장치, 생물 여과조 등등 이 분야를 전공하지 않은 사람이라면 그 복잡함과 사용되는 기술의 다양함으로 인해 시설에 대한 이해가 어렵다(그림 2).
2018년 6월 19일 세계 최초의 극지 해양생물, 특히 남극 어류 전용의 아쿠아리움이 탄생되었다(그림 3). 아쿠아리움은 약 5,000ℓ의 해수를 이용하며, 최하 영하 –1℃를 유지할 수 있고, 다양한 센서와 자동화 설비를 갖췄다. 아쿠아리움 실내 온도는 섭씨 영상 10~15℃로 연구원이 오랜 시간 머물며 연구하는 데 제약이 없다.
에너지 소비를 획기적으로 줄이기 위해 세 개의 열 교환장치를 둔 시스템의 우수성을 인정받아 아쿠아리움 시스템 기술에 대한 원천 특허를 획득할 수 있었다(그림 4).
남극 물고기를 키우며 오랜 시간 연구하려면 적절한 먹이가 필요한데, 냉동 크릴 외에는 다양한 남극 바다에 존재하는 단각류와 다모류 등의 남극 어류 먹이들을 직접 공수하는 것은 불가능하다. 다양한 먹이에 대한 선호도 조사를 통해 남극 물고기는 육식성이며 지렁이, 닭고기, 돼지고기, 소고기, 임연수어, 오징어, 조갯살, 새우, 굴, 크릴 등 거의 가리지 않고 먹는다는 사실을 알았다. 새롭게 알게 된 사실을 바탕으로 보다 안정적이고, 남극 물고기에게 영양학적으로 질 좋은 먹이를 공급하기 위해 인공 배합 사료를 개발하였다(그림 5).
남극의 물고기를 살려서 가져와 키우는 것은 매우 어려운 도전이지만 그만큼 의미가 크다. 아쿠아리움을 이용한 남극 어류 연구의 성공을 위해서는 인공적인 산란 유도를 통한 인공 번식이 반드시 필요하다.
(남은 이야기는 스프에서)
동영상 기사
동영상 기사
댓글